您现在的位置是:首页 > 行业发展
纯后级全平衡BTL功放的制作
智慧创新站
2025-04-04【行业发展】67人已围观
简介各大音响厂家,应用在数万元以上的、高端功放中的放大电路,均为全平衡BL桥接式放大电路,下面推荐一款真正意义上的全平衡B桥接式功率放大器。整机电路图如下1.前级推动运算放大电路采用美国模拟器件公司推出的陶封AD827(图1)这是因为后级放大采用K1529/J200MOS场效应管,它属于电压控制元件,在...
各大音响厂家,应用在数万元以上的、高端功放中的放大电路,均为全平衡BL桥接式放大电路,下面推荐一款真正意义上的全平衡B桥接式功率放大器。整机电路图如下

1.前级推动运算放大电路
采用美国模拟器件公司推出的陶封AD827(图1)

这是因为后级放大采用K1529/J200MOS场效应管,它属于电压控制元件,在一定条件下漏极电流只取决于对栅极所加的电压,不需要多大的推动电流就可以很轻松地控制漏极电流。
AD827的技术参数如下
电源电压18,频带宽50Mz,转换速率300VμS,失真0.06%,共模抑制比110B,消耗电流10.5mA。
2.后级采用MOS-FET做BTL全平衡放大BTL电路是平衡式无变压器电路。
它也叫“桥接推挽”功率放大电路。输出级与扬声器之间用电桥形式连接(和OCL电路一样去掉了耦合大电容),如图4所示。
可以看出BL功放在电路形式上,好像是将两个0CL电路(见图5)
的输出端分别接在负载R的两端,由于电路具有良好的平衡和对称性,扬声器(RL)的中点电位始终保持恒定,电冲击及交流声比0CL、0L电路小得多。同时失真度、频率响应和稳定度(因为共模抑制比较高)都得到进一步的提高。
此外,在电源电压、负载等不变的条件下,其输出功率可提高到0TL电路或0CL电路的4倍,输出功率大,附加失真小,电源利用率高。
工作时,加在输入端的输入信号是相位相反、大小相等的一对“差模”信号,当山极性为上正下负时,电路中的对角管BG1和BG4同时导通,它们在负载RL两端同时产生推挽电流(即功放管BG1推出电流的同时,BG2管挽入电流);当u极性为上负下正时,对角管BG3和BG2同时导通,它们也是在R两端同时产生推挽电流,从而使输出功率增大。可见,BIL是“双端推挽桥式电路”。
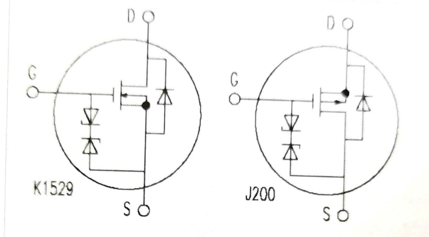
根据电桥原理可知,如果同类型管BG1和BG3以及BG2与BG4各自配对,很容易做到在静态时电路平衡,R上无电流,动态时RL上信号不失真,同时可以看出电路仅用一个电源,这样就提高了电源的利用率。MS一F用K1529J200。这是日本东芝公司专为高保真音频放大器设计的专用大功率场效应对管(对管的误差限制在3%左右),其极限参数∨dS/V=180,最大漏极电流Id=10A,最大功耗Pd=120W,采用T0-264组料封装。2SK1529/25200的极性是典型的G、D、S极排列,如图6所示。
其内部也有续流二极管和防击穿稳压二极管,在设计电路时可以省掉这两个二极管,大大方便排版走线,同时又可节约成本。
东芝对管的匹配特性非常出色,无论栅压处于甲、甲乙、乙类的位置,场效应对管都能工作在最佳曲线部分,以减少管子本身的非线性失真。另外以C2611三极管为中心的周边主要电路,R3是用来调整2SK1529/2520对管的中点静态电位A=0(必须为0),R4是用来调整2SK529/2S200对管工作于甲类或者甲乙类状态。
综上所述,由AD827双运算放大器组成的前级放大电路,以及采用K1529/J200M0S-FET的BTL全平衡后级放大电路简洁至上、易于安装的。
3、电源电路
电源变压器采用500W的环形铁芯自己绕制环形铁芯的规格为外径130mm,内径40m,高度90m、铁芯导磁率(普通热轧硅钢片为400~500,冷轧硅钢片为800~1200)。这里千万不要使用常见的自耦变压器上的环形铁芯,因其铁芯质量太差会影响电源变压器的技术性能。
初级漆包线为1.0mm,在环形铁芯上绕396圈,次级漆包线为1.8mm,设计电压2×26V,每伏1.76圈,供计46圈,双线并绕在环形铁芯上。最后测量内阻为3欧姆,(这一参数非常重要,它是由漆包线的质量以及铁芯导磁率的高低来决定的),输出电压为双26.5V。
关键技术
(1)为了保证焊接MOSFET场效应管时不至于损坏,可先用细保险丝将其三个电极绕接在一起,等整个电路都焊接完成后再拆开。尽管这样,还是要注意电烙铁的金属外壳接地是否良好。最为保险起见,还是拔掉电烙铁电源插头,利用余热进行焊接。
(2)静态工作电流的选取:经过一个多月的试听,觉得74mA的静态工作电流有点小。静态电流越大则放大器的工作状态也越接近甲类,即可消除交越失真。
在此,甲类放大的优点就不多说了。静态电流取多大取决于功放管功耗和你的发烧程度。考虑到散热器体积以及散热面积等因素,调整R4,使阴极电阻上压降为60mV,这时静态电流为273mA,环境温度为19%,散热器温度上升为59C后不再上升。继续调整R4,使静态电流加大到600mA,此时散热器烫得无法用手触摸。
因为MOSFET具有负的温度系数,随着温度的.上升其静态电流下降。反复调整R4,每调整一次要等20分钟,使功放管温度热平衡后再调。最后调整到0.27Q电阻两端的电压为150mV、静态电流为556mA(即I=V/R=0.15/0.27≈0.556),散热器温度为61%,用G电压表测量两声道中点电压分别为5mV和8mV,此时连接:在功率放大器上的扬声器已经听不到噪音了。如有条件末级可用多只2SK1529/J200并接使用,以提高输出驱动能力。
(3)耦合电容的选取经验:电路图中采用极为简单的电容耦合方式,因为C1、C2、C3起着承前启后的作用,本机使用了较为优质的SOLEN电容0.1μF/600V、4.7μF/600V、3.3puF/600V并联使用(容量不能过大,否则,高频细节就少,声音就没有什么味道了)。
采用日本的KOA无感陶瓷发烧电阻作为阴极电阻,其他电阻选用美国的DALE高精度无感轴向引脚电阻。采用英国的ERO电容作为滤波电容。音色极为通透甜美,这对整机的音色调节起到了比较重要的作用。
感谢阅读!
很赞哦!(37)
下一篇:新板回来,输出管用
相关文章
- 寻访张家口历史上走出去的大学——解放军国防科技大学国际关系学院篇(三)
- 什么是串联?什么是并联?怎么区分串联与并联?
- 辨别面粉里掺石滑粉?科技与狠活可用肉眼看的出来吗?你觉得呢?
- 河南27万彩礼准新娘跳河自杀,原因太蹊跷,知情人透露更多信息
- 国内老牌 IGBT 厂商,宏微科技:新能源汽车和光伏加速放量
- 可否使用DAC来改变交流信号幅值?
- 河北中瓷电子科技股份有限公司首次公开发行股票发行公告(上接C32版)
- 曾益慧创IECUBE独家代理迪芝伦Digilent(中国区)测试、测量设备
- 「正点原子FPGA连载」第二十三章高速AD/DA实验
- BT151是什么管子?BT151引脚图+参数,图文+电路案例,带你搞定