您现在的位置是:首页 > 行业发展
电动车自适应无刷直流电机控制器中MOS管应用选择解决方案
智慧创新站
2025-06-04【行业发展】144人已围观
简介电动车自适应无刷直流电机控制器中MOS管应用选择解决方案电动车电机控制器绿色环保的新能源是这个时代社会发展的主流要求,纯电动车也顺应时代发展取代混合动力车成为了社会行业经济的重点发展对象。在电动车的发展过程中,控制器、无刷直流电动机、蓄电池一直都是制约着电动车发展的重点因素。控制器是电动车电气系统的...

电动车自适应无刷直流电机控制器中MOS管应用选择解决方案
电动车电机控制器绿色环保的新能源是这个时代社会发展的主流要求,纯电动车也顺应时代发展取代混合动力车成为了社会行业经济的重点发展对象。在电动车的发展过程中,控制器、无刷直流电动机、蓄电池一直都是制约着电动车发展的重点因素。控制器是电动车电气系统的核心,其中最重要的就是无刷直流电机的控制系统。而无刷直流电动机以其功耗低、换向可靠、体积小、重量轻、输出扭矩大、调速性能佳等优点,在工业控制、医疗器械、家用电器、电动车领域有广阔的应用前景。
因此,提高无刷直流电机和电机控制器的性能就成了优化新能源电动车的有效途径。
2015年,LinCong设计出一种以DSP28335为主控制芯片的纯电动车用电机控制器硬件电路,采用模糊PI控制策略,整体电路包含功率驱动电路、逆变电路、电流采样电路、电源转换电路等。相较于目前市面上其他的电机控制器,可以迅速无刷直流电机的给定转速,且超调量较小,提高了系统的稳定性。
硬件电路总体设计
【控制器电路硬件设计】
电路器件参数
微处理器:TMS320F28335
无刷直流电机:48V/500W,I18A
MOS管:Vds120V,Id54A
MOS驱动芯片:IR2101
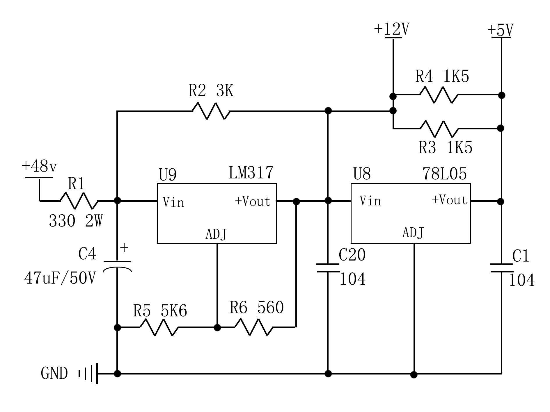
电源转换芯片:LM317
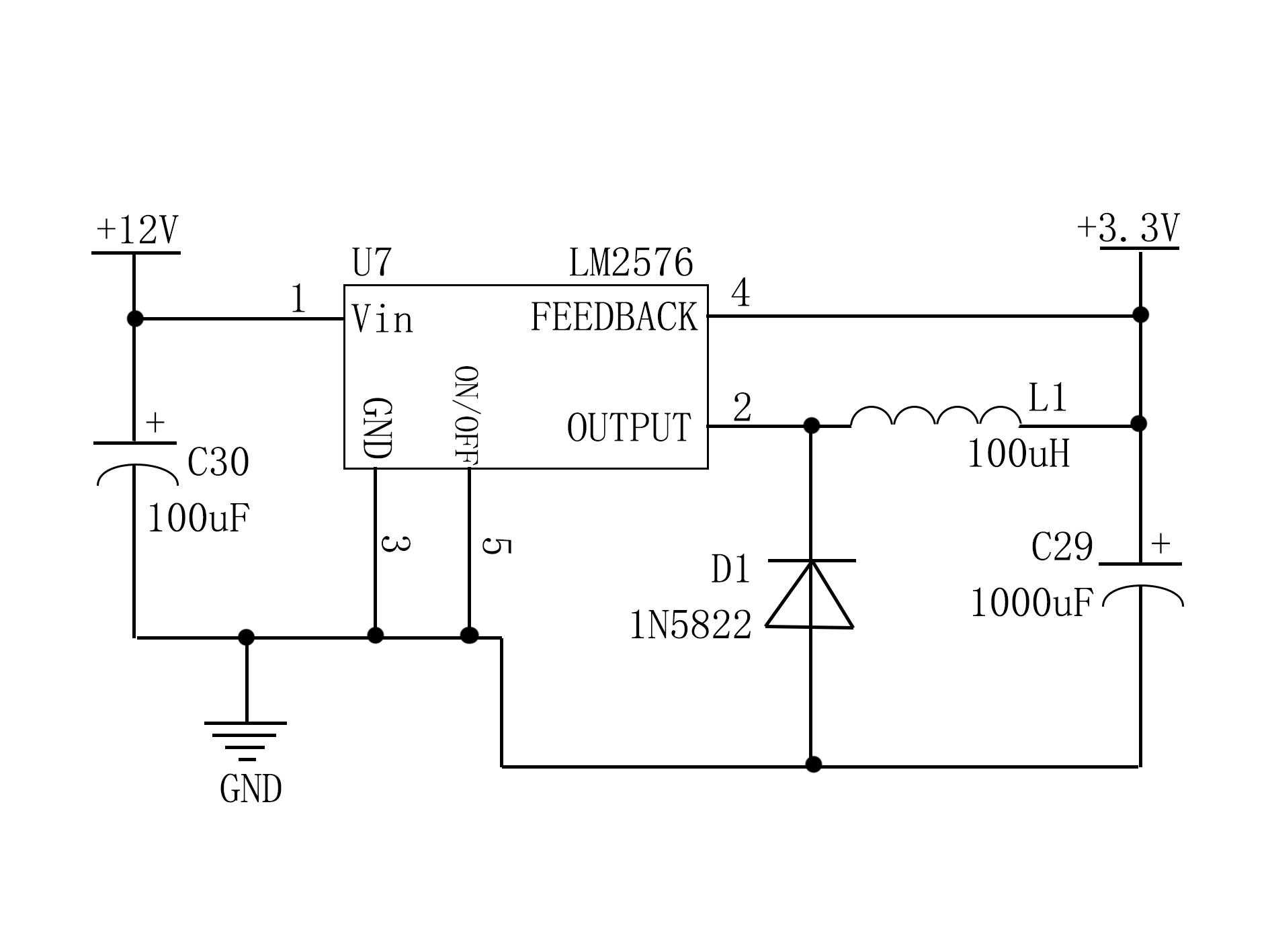
DC-DC转换芯片:LM2576
电流检测芯片:ACS712ELCTR-30A
功率驱动和逆变电路中MOS管的选择
【A相驱动和逆变电路】
由于无刷直流电机的额定电压为48V,额定电流小于等于18A,MOS管为了避免配击穿的风险,Vds需要大于电机电压的2.5倍,Id需要大于电机电流的3倍:
MOSFET的耐压Vds120V
MOSFET的耐流Id54A
原系统中选用的是IRFB4115场效应管,也可以选用VBsemi微碧的VBM1151N,其Vds=150V,Id=100A,在本系统中可完美替代。
电动车电机控制器中可选用的VBsemi功率场效应管型号:
①VBM1151N
②VBM1152N
③VBM1201N
④VBM1202N
⑤VBP1151N

【可选用的VBsemi微碧公司型号参数】
控制器其他电路图
【电源转换电路】
【12V转3.3V电路】
【电流检测电路】
【霍尔传感器接口电路】
微碧半导体MOS管封装及应用微碧半导体企业主要产品的封装有:SOP-8、TO-220(F)、TO-263、TO-247、TO-252、TO-251、SOT-23、SOT-223、SOT-89、QFN、AO3400、IRF540、IRF540N等系列封装产线。
【微碧部分MOS管产品封装】
广泛应用于3C数码、安防设备、测量仪器、广电教育、家用电器、军工/航天、可穿戴设备、汽车电子、网络通信、物联网IoT、新能源、医疗电子、照明电子、智能家居、电脑主板显卡、MID\UMPC、GPS、蓝牙耳机、PDVD、车载DVD、汽车音响、液晶显示器、移动电源、手机电池(锂电池保护板)、LED电源等产品。微碧半导体有限公司以饱满的激情,拼搏务实的干劲,不断创新进取,致力于为客户群体打造出一座高效、便捷、直通、优质的服务桥梁。
参考文献[1]林聪.纯电动车用电机自适应控制器设计[D].广西科技大学,2015.
[2]柴海波,鄢治国,况明伟,吴建东.电动车驱动电机发展现状[J].微特电机,2013,41(04):52-57.
[3]冯翠萍.永磁无刷直流电机转矩脉动抑制的控制策略研究[D].西南交通大学,2012.
[4]周涌.电动车驱动用无刷直流电动机系统的设计[J].微特电机,1997(03):7-11+30.
往期部分MOSFET应用文章汽车照明LED驱动电源中MOS管解决方案
无人搬运车AGV无接触供电系统中MOS管的应用选择
USBPD大功率快充移动电源中MOS管的应用方案
一种线路简单的无刷直流电机控制系统中MOS管的应用选择方案
锂电池无线充电功放电路中MOS管的应用选择
电动汽车直流充电桩电源电路中大功率mos管的应用选择
太阳能LED照明系统优化后各电路中MOS管的应用选择
很赞哦!(155)